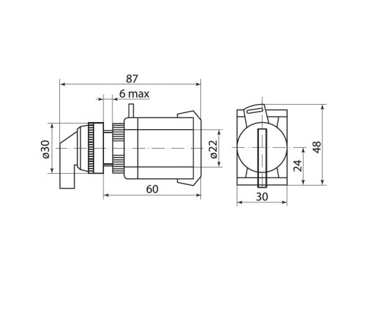
Кнопки управления предназначены для оперативного управления контакторами (магнитными пускателями) и реле автоматики в электрических цепях переменного тока частотой 50 Гц, напряжением до 660 В или постоянного тока напряжением до 400 В.
Характеристики:
• число и род контактов — 1 «З» и 1 «Р»;
• номинальный рабочий ток контактов — 10 А;
• диаметр установочного отверстия — 22 мм;
• степень защиты механизма — IP 40;
• механическая износостойкость — 100 тыс. циклов;
• коммутационная износостойкость — 10 тыс. циклов;
• диапазон рабочих температур — от –10 °С до +40 °С.
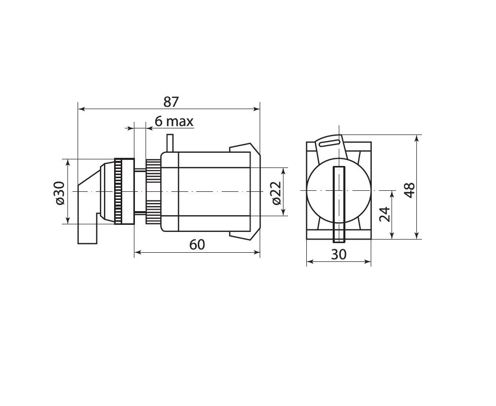
Характеристики:
• число и род контактов — 1 «З» и 1 «Р»;
• номинальный рабочий ток контактов — 10 А;
• диаметр установочного отверстия — 22 мм;
• степень защиты механизма — IP 40;
• механическая износостойкость — 100 тыс. циклов;
• коммутационная износостойкость — 10 тыс. циклов;
• диапазон рабочих температур — от –10 °С до +40 °С.
